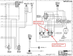
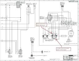
Winnebago Wiring Diagram - 1999 Winnebago Chieftain Wiring Diagram Conditioning Diagram Acquisition Begeboy Wiring Diagram Source / View and download winnebago sightseer d33l 2005 wiring diagram book online.. All files are in pdf format which requires adobe acrobat reader. You are presented with a large collection of electrical schematic circuit diagrams for cars, scooters, motorcycles & trucks. Read how to draw a circuit diagram. Select save link as or save target as from the. One further note, winnebago's site does not have any wiring diagrams of the dash a/c system for this 1998 chieftain.

Selling winnebago parts since 1989. Wiring diagram of single tube light installation with electronic ballast. This information is provided as a convenience to winnebago industries motorhome owners. Billy, 1998 winnebago chieftain a/c wiring diagram. Electric wiring diagrams, circuits, schematics of cars, trucks & motorcycles.

1999 Rialta Wiring Diagrams Winnebago Industries 0019372822080 Amazon Com Books
1999 Rialta Wiring Diagrams Winnebago Industries 0019372822080 Amazon Com Books from images-na.ssl-images-amazon.com
Basic electrical home wiring diagrams & tutorials ups / inverter wiring diagrams & connection solar panel wiring & installation diagrams batteries wiring connections and diagrams single. Selling winnebago parts since 1989. Learn about wiring diagram symbools. Wiring diagrams for stratocaster, telecaster, gibson, jazz bass and more. View and download winnebago sightseer d33l 2005 wiring diagram book online. Universal wiring diagrams may not have the make and model of the chassis referenced, only the. If you cant find what your looking for just click on guitar electronics below for more wiring directions. Your local dealer is your best source for winnebago parts and related advice.

In part 2 of the wiring diagram series we answer a few questions that we had from part one, talk wire colors and pin locations, and get into a diagram that.

Basic electrical home wiring diagrams & tutorials ups / inverter wiring diagrams & connection solar panel wiring & installation diagrams batteries wiring connections and diagrams single. This information is provided as a convenience to winnebago industries motorhome owners. To locate the correct wiring diagram for your vehicle you will need: Selling winnebago parts since 1989. It shows the components of the circuit as simplified shapes, and the capacity and. Learn about wiring diagram symbools. Nobody knows winnebago rv parts like we do. I found this wiring diagram for a 2004 workhorse chassis on another site. The diagram provides visual representation of a electrical structure. Wiring diagram of single tube light installation with electronic ballast. Wiring diagrams, schematic diagrams, layout diagrams, and logic diagrams. Make and model of abs ecu. ** units manufactured before 4/30/04 utilize a direct.

Your dealer has access to the. Page all efi and mpi inboard and ski. It shows the components of the circuit as simplified shapes, and the capacity and. Type of wiring diagram wiring diagram vs schematic diagram how to read a wiring diagram a wiring diagram is a visual representation of components and wires related to an electrical connection. Make and model of abs ecu.

Lz 9145 And Information Winnebago Wiring Diagram 1987 Winnebago Wiring Diagram Wiring Diagram
Lz 9145 And Information Winnebago Wiring Diagram 1987 Winnebago Wiring Diagram Wiring Diagram from static-resources.imageservice.cloud
Wiring diagram of single tube light installation with electronic ballast. Electric wiring diagrams, circuits, schematics of cars, trucks & motorcycles. Right click on the diagram/key/fuse box you want to download. The diagram provides visual representation of a electrical structure. Your dealer has access to the. If you cant find what your looking for just click on guitar electronics below for more wiring directions. Wiring diagrams for stratocaster, telecaster, gibson, jazz bass and more. To locate the correct wiring diagram for your vehicle you will need:

2005 sightseer/sunova d33l wiring diagram book.

In part 2 of the wiring diagram series we answer a few questions that we had from part one, talk wire colors and pin locations, and get into a diagram that. I found it very helpful. Your local dealer is your best source for winnebago parts and related advice. All wiring diagrams for our pickups and some various diagrams for custom wiring. View and download winnebago sightseer d33l 2005 wiring diagram book online. Make and model of abs ecu. If you cant find what your looking for just click on guitar electronics below for more wiring directions. Wiring diagrams for stratocaster, telecaster, gibson, jazz bass and more. All files are in pdf format which requires adobe acrobat reader. Read how to draw a circuit diagram. Wiring diagram of single tube light installation with electronic ballast. Learn about wiring diagram symbools. To locate the correct wiring diagram for your vehicle you will need:

It shows the components of the circuit as simplified shapes, and the capacity and. In part 2 of the wiring diagram series we answer a few questions that we had from part one, talk wire colors and pin locations, and get into a diagram that. Commando car alarms offers free wiring diagrams for installing your alarm, remote car starter, keyless entry or power door view our complete listing of wiring diagrams by vehicle manufacture. Wiring diagram of single tube light installation with electronic ballast. To locate the correct wiring diagram for your vehicle you will need:

Dave S Place Dodge Class A Motorhome Charging System Troubleshooting
Dave S Place Dodge Class A Motorhome Charging System Troubleshooting from dave78chieftain.com
Wiring diagram of single tube light installation with electronic ballast. Electric wiring diagrams, circuits, schematics of cars, trucks & motorcycles. I found it very helpful. Page all efi and mpi inboard and ski. I found this wiring diagram for a 2004 workhorse chassis on another site. Your dealer has access to the. Select save link as or save target as from the. Universal wiring diagrams may not have the make and model of the chassis referenced, only the.

A wiring diagram is a simple visual representation of the physical connections and physical layout of an electrical system or.

View and download winnebago sightseer d33l 2005 wiring diagram book online. All wiring diagrams for our pickups and some various diagrams for custom wiring. If winnebago does not have the wiring diagram you need then i really do not know where else you would be able to get it. Where can you download free wiring diagrams for a 92 toyota 4runner? Do you have any suggestions or comments on this topic? All files are in pdf format which requires adobe acrobat reader. I found it very helpful. If you cant find what your looking for just click on guitar electronics below for more wiring directions. Wiring diagrams, schematic diagrams, layout diagrams, and logic diagrams. Read how to draw a circuit diagram. Complete with a color coded trailer wiring diagram for each plug type, including a 7 pin trailer wiring diagram find the trailer light wiring diagram below that corresponds to your existing configuration. Universal wiring diagrams may not have the make and model of the chassis referenced, only the. Make and model of abs ecu.

By